Loading...
Back.

CAD Models.

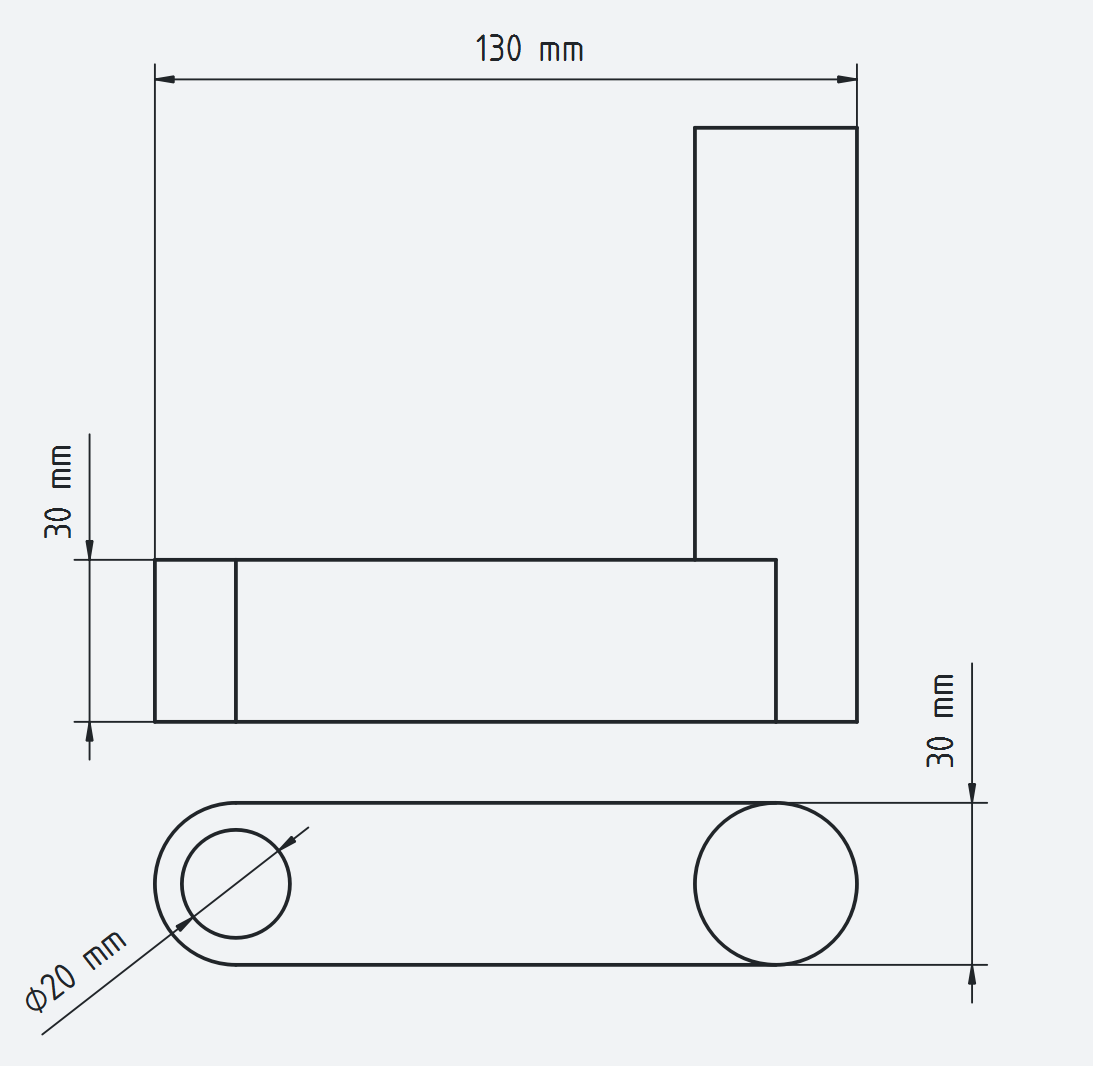
The image below-left shows the dimensions of the pendulum. On the right the bar can be appreciated. The material properties remain the same as in the Compound Pendulum example: aluminum for the bar and steel for the pendulum. The CAD geometry in .step format is available here. The parts in this file were exported from the FreeCAD .FCStd file after assembly solving, so their initial positions are preserved. The FreeCAD file is available here. It includes the parametric parts before assembly solving.

Explore More: MbDFEM Test Cases.